Энциклопедия радиолюбителя - Страница 46
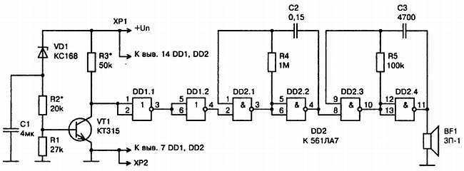
Схема сигнализатора, извещающего о падении напряжения ниже критического значения на аккумуляторной батарее типа 7Д-0,125, приведена на рис. 20.12.

Рис. 20.12. Принципиальная схема сигнализатора разрядки аккумуляторной батареи на логической микросхеме
Устройство собрано на двух логических микросхемах DD1, DD2 и одном кремниевом транзисторе VT1 типа КЛГ315. Сигнализатор срабатывает при уменьшении напряжения на аккумуляторе до 7,8 В, о чем извещает звуковым сигналом пьезоизлучатель BF1.
При использовании устройства с другими типами аккумуляторов напряжение срабатывания подбирают изменением сопротивления резисторов R2, R3 и типа стабилитрона VD1. Устройство, собранное по данной схеме, отличается высокой экономичностью в обоих режимах: ждущем и сигнализации.
В устройстве использованы такие микросхемы: DD1 типа К561ТЛ1, a DD2 типа К561ЛА7. Вместо микросхемы К561ТЛ1 возможно использование микросхемы К561ЛА7, включив ее по схеме рис. 20.13.

Рис. 20.13. Изменения в схеме сигнализатора разрядки аккумуляторной батареи при использовании в нем ИМС К561ЛА7
При такой замене микросхемы DD1 резко увеличивается ее ток потребления (25…30 мА), в момент приближения к порогу срабатывания сигнализатора. В качестве транзистора VT1, можно использовать любой кремниевый транзистор n-р-n типа. Резисторы типа МЛТ-0,125, а постоянные конденсаторы — малогабаритные любого типа. При отсутствии пьезоизлучателя можно использовать небольшую динамическую головку, включив ее по схеме рис. 20.14.

Рис. 20.14. Принципиальная схема включения динамика в сигнализатор разрядки аккумуляторной батареи
Все детали сигнализатора собираются на небольшой печатной плате из фольгированного гетинакса. Налаживание сигнализатора заключается в подборе типа стабилитрона VD1 и сопротивлений резисторов R2 и R3, при которых происходит его срабатывание, когда напряжение на зажимах аккумулятора достигнет критического значения. После наладки, сигнализатор помещают в корпус радиоэлектронной аппаратуры. Выводы сигнализатора ХР1 и ХР2 припаивают к соответствующим контактам питания аппаратуры.
Описание схемы
Некоторые серии логических микросхем, в частности, выполненные на комплементарных парах МОП транзисторов, могут быть использованы в радиоприемных устройствах. На рис. 20.15 приведена схема приемника прямого усиления на микросхеме типа K176ЛE5.

Рис. 20.15. Принципиальная схема радиоприемника прямого усиления на логической микросхеме К176ЛЕ5
Прием радиостанций ведется на магнитную антенну WA1. Колебательный контур приемника состоит из катушки индуктивности L1 и конденсатора переменной емкости С1, с помощью которого ведется настройка на радиостанции. Выделенный контуром сигнал подается на усилитель ВЧ, собранный на элементе DD1.1.
Между входом и выходом элемента включен резистор R1, осуществляющий отрицательную обратную связь по постоянному напряжению. Для устранения такой связи по переменному току используется конденсатор С2. С выхода элемента DD1.1 усиленный сигнал поступает на детектор, выполненный на диодах VD1 и VD2, включенных по схеме удвоения напряжения. Нагрузкой детектора является резистор R2, с которого звуковой сигнал подается на УЗЧ, выполненный на элементах DD1.2…DD1.4. В первом каскаде УЗЧ введена отрицательная обратная связь по постоянному напряжению через резисторы R3, R4. При этом на выходе элемента DD1.2 устанавливается стабильное напряжение, равное половине напряжения источника питания, что позволяет не ставить аналогичные цепочки в последующих каскадах УЗЧ. По переменному напряжению звуковой частоты обратная связь снимается подключением конденсатора С6. Нагрузкой УЗЧ являются стереофонические наушники, подключаемые к гнезду XS1. Для питания приемника используется источник питания 9 В, например, батарея типа «Крона» или аккумулятор 7Д-0,125. Радиоприемник сохраняет свою работоспособность при снижении напряжения питания до 3 В.
Детали
В приемнике, вместо микросхемы К176ЛЕ5, можно использовать микросхему К176ЛА7 без изменений схемы приемника. Резисторы типа МЛТ-0,125, электролитические конденсаторы С6, С7, С9 типа К50-6, остальные конденсаторы типа К10-7В. В схеме приемника будут использованы резисторы и конденсаторы, номинальные значения которых в 2…3 раза отличаются от указанных на схеме. Конденсатор переменной емкости КПТ-2 емкостью 5…270 пФ. Для приема средних волн, катушка L1 магнитной антенны содержит 80 витков провода ЛЭП-5х0.06, намотанных на картонном каркасе, размещенном на ферритовом сердечнике М400НН1 100x8 мм. Все детали приемника собраны на печатной плате из фольгированного стеклотекстолита размером 45x40 мм.
Собранный из исправных деталей приемник особой наладки не требует и при подключении питания начинает сразу работать. При эксплуатации приемника вблизи мощных радиостанций появляется возможность прослушивания радиопередач на электродинамическую головку. В этом случае выходной каскад переделывают согласно схеме рис. 20.16. Выходной трансформатор Т1 берется от любого транзисторного радиоприемника, при этом используется одна половинка первичной обмотки. Динамическая головка ВА1 может быть любого типа. Мощность 0,05…0,5 Вт.

Рис. 20.16. Принципиальная схема включения динамика в радиоприемник прямого усиления на логической микросхеме К176ЛЕ5
Описание схемы
Используя микросхему K155ЛA3, можно собрать простой пробник со звуковой индикацией для прозвонки электрических цепей (рис. 20.17).
Рис. 20.17. Принципиальная схема звукового пробника на микросхеме К155ЛАЗ
Основу пробника составляет мультивибратор на элементах DD1.1…DD1.4. При подключении щупов пробника ХР1 и ХР2 к участку монтажа сопротивлением менее 10 Ом или их замыкании на входах 1 и 2 первого элемента DD1.1 окажется напряжение, которое несколько меньше уровня логической 1, что равносильно сигналу логического 0. На выходе 3 элемента DD1.1, появляется уровень логической 1 и начинает работать мультивибратор. Колебания мультивибратора через резисторы R5 и R6 подаются на вход усилителя мощности, собранного на транзисторе VT1. В эмиттерную цепь транзистора VT1 включена электродинамическая головка, по звучанию которой и судят о результатах прозвонки. С помощью резистора R5 можно в небольших пределах изменять громкость звука пробника.
Детали
В пробнике используются постоянные резисторы типа МЛТ-0,125, переменный резистор R5 любого типа. Конденсатор С1 типа К50-6.