Энциклопедия радиолюбителя - Страница 36
Т = 0,7·C·(R1 + R2),
где С — емкость переходного конденсатора. Если переменный резистор R3 имеет линейную зависимость от угла поворота оси, то сопротивления базовых резисторов будут такие:
R1 = α·R3, R2 = (1 — α)·R3, 0 <= α <= 1.
Если подставить эту формулу в предыдущую, то видно, что период колебаний мультивибратора остается постоянным при перемещении ползунка, тогда как скважность импульсов зависит от его угла поворота.
Используя свойства мультивибратора с регулируемой скважностью импульсов, можно построить имитатор звуков такого романтичного явления природы, связанного с наступлением весны, как капель. Первые признаки весны характеризуются обилием солнца, улыбками на лицах и, конечно, капелью. Про капель сложена даже песня, которую в 60-е годы исполнял советский певец Жан Татлян. Романтичный звук капели можно создать с помощью электронного устройства, схема которого представлена на рис. 16.6. Конструкция построена на широкораспространенных радиодеталях и не критична к их типам. Настройка устройства заключается в подборе величины резисторов и конденсаторов, входящих в схему, до получения приятного тембра звучания капели.

Рис. 16.6. Схема устройства имитирующего капель, приход весны
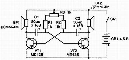
Глава V
САМОСТОЯТЕЛЬНОЕ ИЗГОТОВЛЕНИЕ СЛОЖНЫХ РАДИОЭЛЕКТРОННЫХ КОНСТРУКЦИЙ НА ТРАНЗИСТОРАХ И МИКРОСХЕМАХ
«Я заинтересовался, заметил направление и повел «Беду» навстречу загадочному явлению».
А. Некрасов. Приключения капитана Врунгеля.
Для рассматриваемых ниже конструкций использование монтажа на монтажных планках представляется нецелесообразным. В связи с этим в них используется монтаж радиокомпонентов с использованием печатных плат. Перед сборкой этих конструкций радиолюбителю было бы желательно перечитать материал раздела, где ведется речь о изготовлении печатных плат, монтаже и распайки на них радиокомпонентов.
Шаг 17
Электронные сигнализаторы
17.1. Сигнализатор разряда батарейки в электронных часах
Для своевременной замены гальванического элемента в электронных часах служит звуковой сигнализатор разряда батарейки 1,5 В, схема которого изображена на рис. 17.1.

Рис. 17.1. Принципиальная схема звукового сигнализатора разряда батарейки 1,5 В в электронных часах
Звуковой сигнализатор собран по схеме несимметричного мультивибратора, в одно из плеч которого включен миниатюрный звуковой излучатель. Сигнализатор питается от той же батарейки, что и часы. Питание на него поступает через выключатель SA1 будильника часов. Ток потребления сигнализатора составляет 34 мА. При нормальном гальваническом элементе в капсюле раздается звук, напоминающий трели соловья. При снижении источника питания до 0,8 В из капсюля доносится прерывистые звуки, следующие с частотой 1 Гц. Дальнейшее снижение напряжения элемента до 0,7 В вызывает появление звука постоянного тона, говорящего о необходимости замены источника питания. Вместо указанного на схеме типа наушника можно использовать другой, подходящий, например, типа ДЭМШ-1А. В сигнализаторе можно использовать любые транзисторы из серий КТ201, КТ306, КТ312, КТ315, резисторы — МЛТ-0,125, конденсаторы С1 и С4 — К50-6, С2 и С3 — КМ. Все детали сигнализатора монтируют на печатной плате размерами 40x25 мм, к ней же привинчивают капсюль ДЭМШ-1А. Плата размещается непосредственно в корпусе часов.
Налаживание сигнализатора производят с блоком питания, имеющим плавную регулировку напряжения. Подав на сигнализатор напряжение 0,8 В, подбирают сопротивление резистора R4, добиваясь громкого прерывистого сигнала. Снизив подаваемое напряжение до 0,7 В, убеждаются в появлении однотонального звука. При подаче напряжения 1,6 В из капсюля должны слышаться соловьиные трели, свидетельствующие о том, что гальванический элемент нормальный. Окраску звука, издаваемого сигнализатором, подбирают резистором R2. Отметим, что аналогичное устройство для сигнализации о разряде гальванического источника питания можно построить и для батареек с другим напряжением, надо только подобрать RC-элементы мультивибратора.
17.2. Устройства, сигнализирующие о достижении жидкостью определенного уровня
При наполнении ванны бывает так, что забывают вовремя перекрыть кран и вода оказывается на полу. Небольшое звуковое устройство, извещающее о наполнении ванны до заданного уровня, можно собрать из широко распространенных деталей согласно схеме на рис. 17.2.

Рис. 17.2. Принципиальная схема звукового устройства, извещающего о наполнении ванны
Схема сигнализатора представляет собой несимметричный мультивибратор, собранный на транзисторах разной структуры. Мультивибратор соединен с датчиком. Конструктивно датчик представляет собой два металлических стержня, находящихся друг от друга на определенном расстоянии. Датчик опускают в ванну таким образом, чтобы его концы находились на заданном уровне заполнения ванны. Как только до концов датчика дойдет вода сработает сигнализатор и в громкоговорителе раздастся звуковой сигнал. В этом случае сопротивление между штырями достигает около 500 кОм. В режиме ожидания устройство потребляет ток менее 0,1 мкА, а во время срабатывания — около 2 мА. Схема не критична к типу радиодеталей, можно использовать любые маломощные кремниевые транзисторы с любой буквой, громкоговоритель сопротивлением 8…10 Ом от любого переносного приемника, например, 0,5ГДШ-1-8. В качестве выключателя можно использовать обычный тумблер. В принципе выключатель можно не устанавливать, так как ток, потребляемый в режиме ожидания, намного меньше тока саморазряда элемента питания.
Все детали устройства собираются на монтажной планке, которая вместе с громкоговорителем, гальваническим элементом и выключателем питания крепятся в пластмассовом корпусе. Размеры корпуса зависят в первую очередь от габаритов громкоговорителя и элемента питания. Так как сигнализатор очень экономичен, то можно использовать элемент 316, что позволит сделать устройство небольшим. Крепление штырей может быть различным. В первом варианте штыри крепятся на изолированном кронштейне, прикрепленном к ванне, и соединяются проводами с сигнализатором. Во втором — штыри крепятся к корпусу сигнализатора и все устройство крепится на кронштейне. Налаживание сигнализатора заключается в установке переменным резистором R2 чистых и громких отрывистых звуков в громкоговорителе при замыкании штырей датчика.
На базе сигнализатора по схеме рис. 17.2 можно сделать более чувствительный и универсальный прибор, который сможет сигнализировать, готов ли чай или суп, не даст убежать молоку и т. д. Для этого в схему необходимо добавить еще один транзистор и несколько резисторов (рис. 17.3).

Рис. 17.3. Принципиальная схема универсального сигнализатора для домашнего хозяйства
Датчик представляет собой металлическую трубочку диаметром 4…5 мм, в которую вставлен металлический стержень, изолированный от стен трубочки в верхней части и посредине ее длины. В верхней части такого датчика к стержню и трубочке припаиваются гибкие провода в пластмассовой изоляции, которые подключаются к устройству. Для удобства датчик крепят к зажиму типа «крокодил», чтобы можно было цеплять датчик за край кастрюли. Можно прикрепить в верхней части датчика в целях удобства и небольшой магнит, который позволит крепить сигнализатор в ванне на нужном уровне. Закипание молока контролируют следующим образом. Цепляют датчик за край кастрюли.