Энциклопедия радиолюбителя - Страница 29
Если станции не прослушиваются, необходимо поменять местами выводы подключения катушки L3. Добившись приема станций, вращают подстроечный сердечник катушки L1 до максимальной громкости принимаемой станции. Границы принимаемого коротковолнового диапазона устанавливают, ориентируясь по промышленному приемнику, вращая в ту или иную сторону сердечник катушки L2. На этом налаживание конвертора заканчивается.
Шаг 13
Маломощные домашние передатчики радиоволн
В нашей стране уже сложилась практика, допускающая изготовление без разрешения Госинспекции электросвязи передающей аппаратуры небольшой мощности, не превышающей несколько десятков милливатт. Радиус действия таких передатчиков составляет всего несколько десятков метров на открытом месте. Применяется такая аппаратура для различных целей: в радиоуправлении моделей, переговорных устройствах внутри квартиры, дистанционного прослушивания плейеров и т. д. Схемы таких маломощных передатчиков содержат всего несколько транзисторов, от одного до пяти.
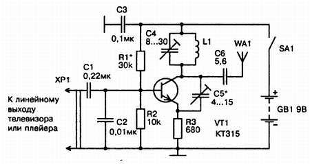
13.1. Передатчик УКВ-ЧМ на одном транзисторе
Передатчик имеет дальность действия 10…15 м, что позволяет осуществлять передачи в пределах квартиры. Его можно использовать для трансляции звукового сопровождения телевизора на УКВ приемник (66…74 МГц) с наушниками и тем самым смотреть передачи, не мешая окружающим. Если передатчик присоединить к линейному выходу плейера, то можно прослушивать магнитные записи на УКВ приемник.
Передатчик представляет собой автогенератор малой мощности и собран на кремниевом высокочастотном транзисторе типа КТ315 (рис. 13.1). Потребляемый ток передатчиком составляет около 1 мА.
Питается устройство от источника постоянного напряжения 9 В, например, батареи типа «Крона». В автогенераторе осуществляется частотная модуляция колебаний электрическими сигналами, поступающими от модулятора, каким является, например, УЗЧ телевизора, на базу транзистора VT1. Передатчик собирается на монтажной планке и помещается в корпус. Антенну лучше использовать телескопическую, это позволит подобрать оптимальную длину антенны для качественной передачи радиоволн при настройке передатчика. Частота передачи устанавливается конденсатором С4, а устойчивая генерация — С5. Катушка L1 бескаркасная и имеет 5 витков провода ПЭВ-2 диаметром 0,56 мм. Диаметр намотки — 4 мм, длина намотки — 12 мм.

Рис. 13.1. Принципиальная схема передатчика УКВ-ЧМ на одном транзисторе
Передатчик настраивают следующим образом: включают УКВ приемник и устанавливают его указатель настройки в том месте диапазона, где не прослушиваются радиостанции. Затем включают передатчик, подключенный к линейному выходу плейера, конденсатор С5 устанавливают в среднее положение и, вращая конденсатор С4, добиваются прослушивания магнитной записи в радиоприемнике. В противном случае раздвигают или сжимают витки катушки и изменяют длину антенны. Изменяя емкость конденсатора С5, добиваются неискаженной передачи сигнала. При трансляции звукового сопровождения телепередач сигнал снимают в телевизоре с гнезда для подключения наушников. Для этого придется приобрести штеккер соответствующего диаметра и припаять к нему соединительные провода. Свободные концы такого удлинителя можно припаять к разъему ХР1.
13.2. Радиомикрофон
Радиомикрофон представляет собой электронное устройство, которое позволяет передавать звуковой сигнал на расстояние, не пользуясь при этом традиционным кабелем. Такой подход к передаче сигнала значительно расширяет технические возможности существующей аппаратуры. Он может оказаться полезным во время концертов, тематических вечеров и т. д.
Радиомикрофон собран на двух германиевых транзисторах (рис. 13.2). Он работает в диапазоне 66…74 МГц и его дальность действия составляет около 50 м. В схеме транзистор VT1 выполняет функции модулятора, a VT2 — генератора. Генератор вырабатывает высокочастотное напряжение, которое поступает в антенну WA1, а модулятор изменяет частоту этого напряжения в небольших пределах в такт с речью говорящего перед микрофоном. Частота ВЧ напряжения зависит от частоты резонанса контура катушки L1, конденсаторов С4…С6 и емкости диода VD1, которая изменяется в такт величине приложенного обратного напряжения. Для работы генератора используется положительная обратная связь, которая осуществляется через конденсаторы С5 и С6 на эмиттер транзистора VT2.

Рис. 13.2. Принципиальная схема радиомикрофона с радиусом действия около 50 м
Детали радиомикрофона монтируются на печатной плате из фольгированного стеклотекстолита толщиной 1,5 мм. Все постоянные резисторы типа МЛТ-0,125, а конденсаторы — К10-7В. Катушка передатчика L1 содержит шесть витков провода ПЭВ-2 диаметром 0,2…0,5 мм, намотанных на оправке диаметром 6 мм. В конструкции использован высокоэффективный малогабаритный электретный микрофон типа МКЭ-3. Настройка радиомикрофона производится аналогично предыдущему передатчику.
Если в одном корпусе разместить радиомикрофон и УКВ радиоприемник, то получится простая радиостанция.
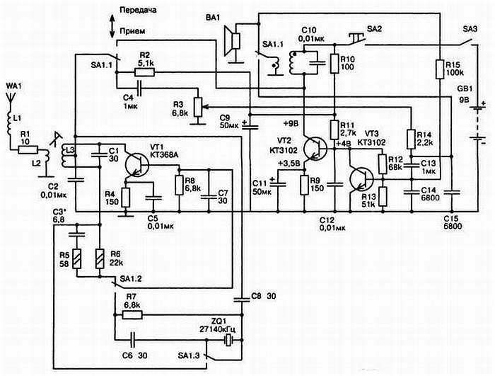
13.3. Малогабаритная радиостанция типа «Д»
Среди разрешенных типов радиостанций личной связи есть так называемый тип «Д» — детские переговорные устройства. Для них выделена частота 27,140 МГц при мощности передатчика 10 мВт и амплитудной модуляции с полосой частот 300…3000 Гц. На рис. 13.3 схема радиостанции типа «Д» с дальностью связи не менее 80 м. В передатчике и приемнике используется один и тот же каскад ВЧ на транзисторе VT1. При приеме он работает в режиме сверхрегенерации, а при передаче — в режиме непрерывной генерации с кварцевой стабилизацией частоты и коллекторной модуляцией.

Рис. 13.3. Принципиальная схема малогабаритной радиостанции типа «Д»
Рассмотрим отдельно режимы работы радиостанции. В режиме приема принятый антенной WA1 сигнал через удлиняющую катушку L1 и антипаразитный резистор R1 поступает на катушку связи L2 сверхрегенеративного детектора — транзистор VT1. По постоянному току режим транзистора задается базовым делителем R6, R8 и резисторами R4 и R2, которые вместе с конденсаторами С5 и С2 задают частоту гашения. Элементами контура L3 и С1 производится настройка детектора на требуемую частоту. Электрическая цепь, состоящая из СЗ, R3 и С7, задает глубокую положительную обратную связь. Во время вспышки из-за увеличения коллекторного тока транзистора VT1 С2 немного разряжается, а С5 подзаряжается. Это приводит к снижению тока VT1 и срыву генерации. После этого через резисторы R2 и R4 происходит подзарядка С2 и С5, соответственно. Подзарядка происходит до тех пор, пока коллекторный ток VT1 не достигнет того значения, при котором образуется очередная вспышка. Осциллограммы в характерных точках приемника показаны на рис. 13.4.б. С конденсатора С2 продетектированный сигнал вместе с пилообразным сигналом гашения через конденсатор С4 поступает на регулятор громкости R3. Далее сигнал проходит через фильтр низкой частоты, собранный на R14, С13, С14, который обрезает частоту гашения, полезный сигнал звуковой частоты поступает на УЗЧ. Усилитель 3Ч собран на двух транзисторах VT2 и VT3. Выходной каскад работает в классе А при токе коллектора около 20 мА. Динамическая головка ВА1 включена в оконечный каскад УЗЧ через выходной трансформатор Т1.