Энциклопедия радиолюбителя - Страница 10

Рис. 3.4. Принципиальная схема включения наушников в УЗЧ на микросхеме

Рис. 3.5. Принципиальная схема включения стереонаушников в УЗЧ
3.2. Влияние наушников на слух человека
Современные наушники, как не удивительно, имеют некоторые особенности эксплуатации, которые необходимо знать. Наушники позволяют прослушивать музыкальные программы с любым уровнем громкости, не создавая неудобства окружающим.
Наряду с этим использование наушников несет некоторую опасность для органов слуха. В последнее время прослушивание на стереонаушники музыкальных программ с плейеров настолько стало популярным, что с головными телефонами не расстаются не только дома, но и на улице, в транспорте и других местах. Сила звука в стереонаушниках при этом иногда достигает 114 дБ, что сравнимо с работой отбойного молотка или стартующего от вас в 100 м турбореактивного самолета. Исследования ученых показывают: если пренебречь шумовой защитой, то уже после 4 часов такого грохота в неделю могут возникнуть кратковременные нарушения слуха в области высших частот и, как следствие, ухудшение слуха в целом. В связи с этим не рекомендуется злоупотреблять прослушиванием звуковых программ современной музыки при больших уровнях громкости и длительное время. Нужно помнить, что случайное резкое повышение громкости, близкое к максимальной мощности используемого усилителя звуковой частоты, может привести в первую очередь к серьезной травме органов слуха. При относительно небольшой подводимой мощности звуковое давление, создаваемое головными телефонами, может превысить уровень 120… 130 дБ. К этому следует добавить, что постоянное давление амбушюров на ушные раковины, даже во время небольшого времени прослушивания, может вызвать у человека чувство тесноты и раздражения. Это связано с тем, что поступает недостаточное количество воздуха к органам слуха.
3.3. Микрофоны
Общая характеристика
В радиоэлектронике находит широкое применение микрофон — устройство, преобразующее звуковые колебания в электрические. Под микрофоном обычно понимают электрический прибор, служащий для обнаружения и усиления слабых звуков.
Основные параметры микрофонов
Качество работы микрофона характеризуется несколькими стандартными техническими параметрами: чувствительностью, номинальным диапазоном частот, частотной характеристикой, направленностью, динамическим диапазоном, модулем полного электрического сопротивления, номинальным сопротивлением нагрузки и др.
Маркировка
Марка микрофона обычно наносится на его корпусе и состоит из букв и цифр. Буквы указывают тип микрофона:
МД … катушечный (или «динамический»),
МДМ … динамический малогабаритный,
ММ … миниатюрный электродинамический,
МЛ… ленточный,
МК … конденсаторный,
МКЭ … электретный,
МПЭ… пьезоэлектрический.
Цифры обозначают порядковый номер разработки. После цифр стоят буквы А, Т и Б, обозначающие, что микрофон изготовлен в экспортном исполнении — А, Т — тропическом, а Б — предназначен для бытовой радиоэлектронной аппаратуры (РЭА). Маркировка микрофона ММ-5 отражает его конструктивные особенности и состоит из шести символов:
первый и второй… ММ — микрофон миниатюрный;
третий… 5 — пятое конструктивное исполнение;
четвертый и пятый… две цифры, обозначающие типоразмер;
шестой буква, которая характеризует форму акустического входа (О — круглое отверстие, С — патрубок, Б — комбинированное).
В практике радиолюбителей используется несколько основных типов микрофонов: угольные, электродинамические, электромагнитные, конденсаторные, электретные и пьезоэлектрические.
Электродинамические микрофоны
(название микрофонов этого типа считается устаревшим и сейчас эти микрофоны называют катушечными)
Микрофоны этого типа очень часто используют любители звукозаписи, благодаря их сравнительно высокой чувствительности и практической нечувствительности к атмосферному влиянию, в частности, действию ветра. Они также не боятся толчков, просты в использовании и обладают способностью выдерживать без повреждений большие уровни сигналов. Положительные качества этих микрофонов преобладают над их недостатком: средним качеством записи звука.
В настоящее время для радиолюбителей большой интерес представляют выпускаемые отечественной промышленностью малогабаритные динамические микрофоны, которые используются для звукозаписи, звукоперсдачи, звукоусиления и различных систем связи.
Изготавливаются микрофоны четырех групп сложности — 0, 1, 2 и 3. Микрофоны малогабаритные групп сложности 0, 1 и 2 используются для звукопередачи, звукозаписи и звукоусиления музыки и речи, а группы 3 — для звукопередачи, звукозаписи и звукоусиления речи.
Условное обозначение микрофона состоит из трех букв и цифр. Например, МДМ-1, микрофон динамический малогабаритный первого конструктивного исполнения.
Особый интерес представляют электродинамические миниатюрные микрофоны серии ММ-5, которые можно впаивать прямо в плату усилителя или использовать в качестве встроенного элемента радиоэлектронной аппаратуры. Микрофоны относятся к четвертому поколению компонентов, которые разработаны для РЭА на транзисторах и интегральных микросхемах. Микрофон ММ-5 выпускается одного типа в двух вариантах: высокоомном (600 Ом) и низкоомном (300 Ом), а также тридцати восьми типоразмеров, которые отличаются только сопротивлением обмотки постоянному току, расположением акустического входа и его вида. Основные электроакустические параметры и технические характеристики микрофонов серии ММ-5 приведены в табл. 3.2.

При отсутствии динамического микрофона радиолюбители часто используют вместо него обычный электродинамический громкоговоритель (рис. 3.6).

Рис. 3.6. Принципиальная схема включения на входе УЗЧ громкоговорителя в качестве микрофона
Электромагнитные микрофоны
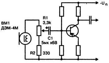
Для усилителей низкой частоты, собранных на транзисторах и имеющих низкое входное сопротивление, обычно используют электромагнитные микрофоны. Электромагнитным микрофонам свойственна обратимость, то есть они могут использоваться и как телефоны. Широкое распространение имеют так называемый дифференциальный микрофон типа ДЭМШ-1 и его модификация ДЭМШ-1А. Неплохие результаты получаются при использовании вместо электромагнитных микрофонов ДЭМШ-1 и ДЭМ-4М обычных электромагнитных наушников от головных телефонов ТОН-1, ТОН-2, ТА-56 и др. (рис. 3.7…3.9).

Рис. 3.7. Принципиальная схема включения на входе УЗЧ электромагнитного наушника в качестве микрофона

Рис. 3.8. Принципиальная схема включения электромагнитного микрофона на входе УЗЧ на транзисторах
