Электроника?.. Нет ничего проще! - Страница 84
Любознайкин — А, это ты, Незнайкин! Какой гордый у тебя сегодня вид. Уж не сделал ли ты какого-нибудь нового изобретения?
Незнайкин — Изобретение, мой дорогой друг, — ничто, практическое воплощение — все. Я в самом деле горжусь электронной вычислительной машиной, которую я только что закончил.
Л. — Ах!..

Н. — Но, пожалуйста, не падай в обморок. Вот с чего все это началось. Я пошел купить потенциометры для системы управления антенной моего приятеля, а купил дешево продававшуюся по случаю небольшую партию потенциометров. Продавец сказал мне, что они отличаются исключительной линейностью, т. е. от начала до конца дорожки сопротивление между одним из неподвижных контактов и движком строго пропорциональны углу поворота осн.
Л. — Незнайкин, я тебя просто не узнаю, в своем, впрочем, совершенно правильном определении ты заговорил почти как математик. Но прости, что я перебил тебя, и продолжай.
Н. — Я захотел проверить, правду ли сказал мне продавец. На обмотку потенциометра я подал ровно 10 в от блока питания высокой стабильности. На ось потенциометра я надел небольшую шкалу, которую движком разделил на десять равных частей, а между движком и неподвижным контактом, от которого движок начинает свой путь, подключил очень точный вольтметр. Подготовив свое устройство, я начал проверять, соответствуют ли показания вольтметра градуировке шкалы. На пятом делении, т. е. как раз на середине шкалы, я получил 5 в.
Л. — Поздравляю тебя, Незнайкин, ты совершенно верно начал проверку линейности потенциометра. Я подозреваю, что спустя некоторое время ты назовешь свое устройство вычислительной машиной.
Н. — Дорогой Любознайкин, неужели ты мог подумать, что из-за такого пустяка я отважился бы тебя побеспокоить. Позволь мне закончить свой рассказ. Имея в своем распоряжении напряжение, изменяющееся пропорционально углу поворота оси потенциометра, я подумал: а что, если приложить это напряжение к обмотке другого линейного потенциометра, но обладающего значительно большим сопротивлением, чтобы не вызывать изменений выходного напряжения первого потенциометра? Второй потенциометр я снабдил аналогичной шкалой с делениями от 0 до 10. Вольтметр я включил между ползунком и нижним выводом второго потенциометра, как это показано на рис. 148.

Рис. 148. «Аналоговый умножитель Незнайкина» состоит из двух строго линейных потенциометров и вольтметра.
На потенциометр R2 подается напряжение U, а вольтметр измеряет напряжение V, представляющее собой произведение напряжения U на ослабление, вносимое вторым потенциометром. Я разделил шкалу вольтметра 10 в на 100 частей, полагая, что эта шкала даст мне произведение двух цифр, выставленных на шкалах потенциометров. Надеюсь, ты оценишь мое устройство?
Л. — Должен признать твою удачу, Незнайкин, ты сделал аналоговый умножитель, который иногда применяется в вычислительных машинах.
Н. — Ааах, так это уже известно? А я-то уже было начал писать заявку на получение патента.
Л. — Не огорчайся, Незнайкин. Если ты и дальше будешь так быстро прогрессировать, то вскоре сможешь получать патенты. Твоя система очень остроумна, и я поздравляю тебя с тем, что ты сумел ее создать без посторонней помощи. Какое сопротивление имеют твои потенциометры?
Н. — Сопротивление потенциометра R1 = 2000 ом, a R2 =100 000 ом, а используемый вольтметр представляет собой универсальный измерительный прибор с входным сопротивлением 20 000 ам/в.
Л. — А насколько точно работает твое устройство?


Н. — Откровенно говоря, я был несколько разочарован его точностью, особенно в тех случаях, когда движок второго потенциометра находится примерно посередине. Так, например, когда я поставил оба движка посередине шкалы (и тот и другой на деление 5), вольтметр должен был показать 25 делений (2,5 в). Однако я с удивлением обнаружил, что он показывает чуть-чуть больше 22. По-видимому, я недостаточно точно сделал шкалы.
Л. — Я знаю твою аккуратность (когда ты захочешь) в выполнении чертежей и поэтому твердо убежден, что шкалы здесь ни при чем. Причина кроется в чем-то другом. Позволь мне рассчитать… Правильно, здесь, верно, именно такой и должна быть ошибка.
Н. — Так объясни, пожалуйста, в чем же дело.
Л. — Ты просто забыл учесть, что вольтметр неправильно измеряет выходное напряжение потенциометра R2. Сопротивление потенциометра 100 000 ом, а вольтметр на шкале 10 в обладает сопротивлением 200 000 ом. Как ты видишь, это сопротивление совсем не бесконечно по сравнению с сопротивлением R2 и в результате измеряемое напряжение V оказывается меньше того, которым оно было бы при использовании вольтметра с очень большим входным сопротивлением.
Н. — Значит, для этого устройства мне следовало бы достать совершенно специальный вольтметр?
Л. — Ты можешь найти выход и без такого вольтметра. Можно значительно улучшить результаты, если на место R2 поставить потенциометр с меньшим сопротивлением. Расчеты показывают, что наилучшим образом подходит потенциометр с сопротивлением 14 000 ом. Хорошие результаты можно получать уже при сопротивлении 10 000 ом.
Н. — Я полностью согласен, что в этом случае вольтметр правильно покажет выходное напряжение потенциометра R2. Но я очень боюсь, как бы это сопротивление 10 000 ом, подключенное к потенциометру R1, не повлияло сильно на потенциал последнего.
Л. — Сейчас я покажу тебе, как рассчитать величину возникновения погрешности. Для этой цели можно воспользоваться одним весьма общим методом, который называют преобразованием Тевенина.
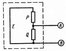
Представь себе источник напряжения Е, к которому подключен делитель напряжения, состоящий из резисторов Р и Q (рис. 149).

Рис. 149. Напряжение Е, приложенное к делителю напряжения Р — Q, создает некоторое напряжение между точками А и В.
Если все это устройство поместить в коробку, а от точек А и В сделать выходящие наружу выводы, то полученную конструкцию можно рассматривать как эквивалент нового источника. Согласно преобразованию Тевенина точки А к В ведут себя как выводы источника с э. д.с. Е' и внутренним сопротивлением r. Нам предстоит рассчитать эти две величины. Расчет Е' не труден — эта величина представляет собой разность потенциалов между точками А и В, когда к ним снаружи коробки ничего не подключено. Ты свободно сможешь выполнить эту задачу, если начнешь с расчета тока, даваемого источником Е.