Электрика в доме - Страница 7

Рис. 15. Разветвительная коробка.
Предохранители – обязательная деталь любой электропроводки. Они представляют собой устройства защиты электрической цепи. Есть два основных типа предохранителей – автоматические и с плавкими вставками (рис. 16).

Рис. 16. Типы предохранителей: а – предохранитель с плавкой вставкой; б – автоматический предохранитель.
В последнее время широкое распространение получили именно автоматические выключатели, они гораздо проще в эксплуатации: при срабатывании защитного устройства достаточно нажать кнопку на головке выключателя (разумеется, предварительно отключив все электроприборы либо те из них, которые явились причиной, приведшей к срабатыванию автоматического выключателя), и электропроводка вновь вернется в рабочее состояние.
Предохранители с плавкими вставками – вчерашний день электротехники; однако если дом старой постройки, то в нем счетчики электроэнергии наверняка оснащены именно предохранителями с плавкими вставками. Состоят они из фарфоровой пробки, внутри которой находится проволочка, рассчитанная на ток 6 или 10 А; если ток в цепи достигает предельного значения, проволочка плавится и цепь обесточивается. Неудобство таких предохранителей в том, что они по сути являются одноразовыми, так как после срабатывания предохранитель подлежит замене.
Более совершенными являются предохранители с плавкими вставками. Они представляют собой пустотелый керамический корпус с резьбой на цоколе, в отверстие которого помещается сменная трубчатая вставка с впаянной тонкой, легко перегорающей проволочкой; при срабатывании такого предохранителя подлежит замене лишь эта вставка, а не весь предохранитель.
Следует запомнить, что категорически запрещается производить ремонт вышедших из строя плавких предохранителей. Если они перегорают, ни в коем случае нельзя наматывать проволоку на пробку, так как через нее может пройти сильный ток, что может послужить причиной пожара. Кстати, как утверждает статистика, треть пожаров в России происходит именно из-за применения в предохранителях таких жучков. Необходимо всегда иметь запасные пробки на 6 или 10 А.
Самостоятельно ремонтировать и регулировать устройства защиты всех типов запрещается. Они опломбированы на заводе. При сгорании плавкой вставки ее можно заменить только на вставку заводского производства.
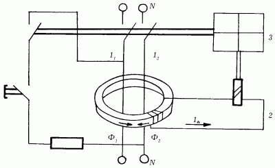
Помимо предохранителей, электропроводку можно дополнительно оснастить устройством защитного отключения (УЗО). Структура и принцип действия УЗО просты (рис. 17).

Рис. 17. Структура устройства защитного отключения: 1 – дифференциальный трансформатор тока; 2 – пороговый элемент; 3 – исполнительный механизм.
В устройстве последовательно соединены дифференциальный трансформатор тока, пороговый элемент на чувствительном магнитоэлектрическом реле и исполнительный механизм – сильноточная контактная группа на пружинном проводе. При нормальной работе электропроводки и электроприборов, подключенных к сети, рабочий ток, протекая в прямом и обратном проводниках первичной обмотки дифференциального трансформатора, наводит в его магнитопроводе противоположно направленные, но равные по величине магнитные потоки (Ф1 и Ф2), которые компенсируют друг друга; поэтому во вторичной обмотке трансформатора ток равен 0 и пороговый элемент не срабатывает.
В случае короткого замыкания (или утечки тока в землю, или при прикосновении человека к оголенному проводу и другим токоведущим деталям проводки или приборов) баланс магнитных потоков нарушается, во вторичной обмотке трансформатора появляется ток и магнитоэлектрическое реле порогового элемента мгновенно реагирует воздействием на исполнительный механизм, который, действуя по принципу расцепителя, обесточивает защищаемую цепь.
Может показаться, что УЗО фактически дублирует предохранители с плавкими вставками или автоматические выключатели, ведь они выполняют ту же функцию защиты электропроводки при коротком замыкании или перегрузке сети. Но это не совсем так: преимуществом УЗО перед обычными предохранителями является то, что оно, помимо защиты электропроводки от возможного возгорания и выхода из строя электроприборов, защищает и человека, сводя риск его поражения электрическим током к минимуму.
Если принято решение включить в цепь электропроводки своего жилища устройство защитного отключения, то следует помнить, что различают два типа таких устройств: электронные – зависимые от напряжения питания и электромеханические – не зависимые от напряжения питания.
Недостатком электронных УЗО является то, что их работоспособность зависит от наличия тока в цепи. Но, к сожалению, очень часто в электрических сетях происходит обрыв нулевого провода, цепь обрывается, но напряжение в сети сохраняется; человек, предполагая обесточку электропроводки, прикасается к токоведущим деталям, что приводит к поражению током. Электромеханические УЗО лишены этого недостатка и действуют независимо от наличия или колебания напряжения в сети. Поэтому электронные УЗО целесообразно использовать только как дополнительную подстраховку других защитных устройств на наиболее опасных участках электропроводки, например в особо влажных помещениях.
Остается только добавить, что монтаж и ремонт УЗО можно доверять только квалифицированным специалистам, имеющим лицензию на выполнение электромонтажных работ, – они помогут с выбором устройства. Чтобы не было сомнений относительно качества устройства, ориентироваться нужно на следующие сведения:
– среди отечественных УЗО, отвечающих требованиям Госстандарта и Главгосэнергонадзора и хорошо зарекомендовавших себя на практике, можно выделить два устройства – АСТРО*УЗО производства ОАО «Технопарк-Центр» (электромеханическое) и УЗО-2000 производства ОАО НИИ «Проектэлектромонтаж» (электронное);
– среди импортных УЗО хорощо зарекомендовали себя на российском рынке NFI 5 SZ 3227 (от концерна «Siеmens»); DX/D40 (от французской фирмы «Legrand»); F 360, F 370, DS 640/DS 650 (от фирмы ABB).
Последним (в списке, но не по значению) элементом электропроводки является счетчик электрической энергии: однофазный – для учета электроэнергии на бытовые нужды и трехфазный, если, например, домашняя мастерская оборудована станками с электродвигателями.
Соединение и оконцевание проводов и кабелей
Чтобы почувствовать себя в своей квартире уверенно и безопасно, следует проверить, соответствует ли сечение проводов электропроводки максимальной фактической нагрузке, а также току защитных предохранителей или автоматического выключателя. Наиболее часто нарушение контакта происходит в местах соединения проводов. Работоспособность и долговечность электропроводки во многом зависят от того, насколько качественно произведено соединение проводов между собой и соединение проводов с контактами электродеталей.
Поэтому целесообразно перед началом работ познакомиться с методами, обеспечивающими надежное соединение. Главная цель каждого соединения – надежный и долговечный контакт в электрической цепи.
Осуществляя соединения проводов, следует учитывать, что сопротивление соединения не должно превышать сопротивления самого провода; кроме того, в соединениях необходимо обеспечить достаточную механическую прочность, особенно на тех участках цепи, где не исключаются случайные растяжения.
По характеру выполнения соединения классифицируются на нераземные (сварка, пайка, опрессовка) и раземные (на болтах, винтовых зажимах, штыревых выводах или скрутка).
Как уже говорилось, наиболее распространенные провода для электропроводок – с алюминиевыми жилами, и стоят они относительно недорого. Однако именно алюминиевые жилы труднее всего соединять, потому что на их поверхности всегда присутствует оксидная пленка (твердая и тугоплавкая), которая образуется в результате реакции окисления алюминия кислородом.