Электричество дома и на даче - Страница 8
Осветительную арматуру с лампой называют светильником.
Устанавливают светильники непосредственно на строительных основаниях сооружений или на кронштейнах, тросах, крюках, шпильках и т. д.
Из светильников монтируют блоки, световые линии, установленные на шинопроводах, коробах, специальных перфорированных профилях. Присоединение к магистралям ответвлений проводов производят опрессовкой, сваркой, сжимами и т. д.
Распределение электроэнергии
Наружные сети. К квартире, индивидуальному дому вилле или дачному домику электрическая энергия подводится при номинальном напряжении 220 В по отходящим линиям распределительной сети, которые берут начало на трансформаторной подстанции (ТП). К ТП электроэнергию подают в большинстве случаев трехфазным током по трехпроводным высоковольтным линиям при напряжении от 6 до 35 кВ, а отводят по трехфазным четырехпроводным: три провода фазных, четвертый – нулевой или нейтральный. В городах линии прокладывают кабелями в земле, в сельской местности – воздушными линиями (ВЛ). При этом неизолированные провода монтируют на фарфоровых или стеклянных изоляторах, укрепленных на деревянных, железобетонных или металлических опорах. Если вдоль ВЛ предусматривают уличное освещение, прокладывают еще один («фонарный») провод. Его монтируют на опорах отходящей ВЛ, в результате получается пятипроводная линия. Уличное освещение подключают к «фонарному» и нулевому проводам. Для управления уличным освещением ставят коммутационный аппарат (выключатель или магнитный пускатель) и к его контактам присоединяют «фонарный» провод и один из фазных.
В четырехпроводных электрических сетях нулевой провод обязательно заземляют. Заземление сооружают на ТП. Кроме того, через каждые 100-200 м по трассе отходящих ВЛ и на концевых опорах устраивают повторные заземления нулевого провода.
От четырех– или пятипроводной ВЛ, проходящей обычно вдоль сельской улицы, делают отводы к потребителям, распределяя нагрузки на каждую фазу более или менее равномерно. При двухпроводных (однофазных) ответвлениях этого достигают, чередуя их от каждой фазы ВЛ. Например, от первой фазы делают отвод к первому потребителю, от второй – ко второму, от третьей – к третьему, к четвертому – снова от первой и т. д. Другой провод каждого двухпроводного отвода присоединяют к нулевому проводу ВЛ.

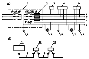
Рис. 2. Схема подключения потребителей к ВЛ (а) и к кабельной (б) линиям:
1 — трансформаторная подстанция; 2 – предохранители иоли автоматические выключатели в фазных проводах А, В и С (в нулевом проводе защитные и коммутационные аппараты устанавливать запрещается); 3 – здание с двухпроводным однофазным вводом: фаза А или В (С) и нуль; 4 – здание с четырехпроводным трехфазным вводом; 5 – двухквартирный дом с трехпроводным ответвлением (однофазным вводом к каждой квартире); 6 – контур заземления подстанции; 7 — светильник уличного освещения; 8 – повторные заземлители по трассе; 9 – кабельная линия; 10 – вводное устройство (силовой ящик)
Встречаются также трех– и четырехпроводные ответвления: трехпроводные иногда делают к двухквартирным домам для электроснабжения двух потребителей от разных фаз с общим нулевым проводом, четырехпроводные – к многоквартирным домам, чтобы равномерно распределить по фазам нагрузки каждой квартиры. Чем равномернее распределены по фазам электрические нагрузки, тем меньше потери электроэнергии.
Четырехпроводные ответвления выполняют также к потребителям, имеющим трехфазные электроприемники.
Электроприемники одно– и трехфазного тока. Раньше электричеством пользовались в быту только для освещения, а электрическая лампа – однофазный электроприемник, поэтому однофазный ток и получил широчайшее распространение у индивидуальных потребителей. Такая система электроснабжения не вызывала затруднений с внедрением в обиход электронагревательных приборов, радиоэлектронной аппаратуры и приборов культурно-бытового назначения, так как на потребительские свойства этих приборов не влияет, предназначены они для одно– или трехфазного тока. Иное положение с электродвигателями. Простейшие по конструкции, несложные в эксплуатации и самые массовые по применению в производственных условиях трехфазные асинхронные двигатели не могут эффективно работать при однофазном токе. Поэтому в бытовых электропылесосах, стиральных машинах, компрессионных холодильниках, различных кухонных машинах, а также в электроинструментах используют однофазные электродвигатели. Надо признать, что они, во-первых, сложнее трехфазных, во-вторых, менее экономичны. По мере роста мощности однофазных электродвигателей их недостатки по сравнению с трехфазными становятся все более ощутимыми. Так, при мощности 1,3 кВт однофазные электродвигатели настолько громоздки, что их применение в быту становится затруднительным. Эту мощность стали считать предельной для бытовых электроприборов (за исключением напольных электроплит). Кроме того, квартирная электропроводка в домах старой застройки не приспособлена для включения электроприборов мощностью более 1,3 кВт.
Чтобы интенсифицировать труд в личных подсобных хозяйствах, коллективных садах и огородах, возникла необходимость в более мощных электрифицированных машинах и инструментах с трехфазными электродвигателями.
Системы распределения. Между любой парой фазных проводов действует линейное, или межфазное напряжение, а между любым из фазных и нулевым – фазное. При нормальных эксплуатационных условиях линейное напряжение в 1,73 раза больше фазного. Так, если линейное напряжение 380 В, то фазное – 220 В. Трехфазные электрические сети принято характеризовать значением линейного напряжения, но для сетей, непосредственно обслуживающих население, вслед за линейным напряжением после дробной черты приводят значение фазного напряжения, т. е. трехфазную четырехпроводную систему с линейным напряжением 380 В обозначают 380/220 В.
Трехфазная система 380/220 В с заземленной нейтралью получила преимущественное распространение, но можно встретить и другие системы: трехфазную 220 В с незаземленной (изолированной) нейтралью без нулевого провода или однофазную трехпроводную 2х220 В с заземленным средним проводом.
В трехфазной системе без нулевого провода однофазные приемники подключают к любой паре фазных проводов, равномерно распределяя нагрузки по фазам; трехфазные – к трем фазным проводам. Поражение электрическим током в случае повреждения изоляции при изолированной нейтрали менее вероятно, чем при заземленной, зато сложнее отыскать место повреждения.
Однофазную систему 2х220 В применяют в мелких населенных пунктах (примерно на полтора десятка домов). К потребителям проводят двухпроводные ответвления – от заземленного и от одного из незаземленных проводов. При этом к каждому из незаземленных проводов стремятся подключить равное число потребителей. При такой системе трехфазными приемниками не пользуются.
Бывает, что при использовании системы 380/220 В возникают затруднения с подачей потребителям трехфазного тока, например, если к группе потребителей, расположенных в стороне от четырехпроводной воздушной линии, сделано общее ответвление от нулевого провода и не от всех фазных, а только от одного или двух.
Проект электроснабжения
Использование электроэнергии возможно только после допуска электроустановок к эксплуатации и получения потребителем абонентской книжки для расчетов за электроэнергию.
В первую очередь потребитель должен получить технические условия на электроснабжение от владельца электрических сетей, сделать проект или схему электроснабжения, согласовать этот документ с владельцем сетей и местным органом Госэнергонадзора.