Броневой щит Сталина. История советского танка (1937-1943) - Страница 7

Всего в ходе испытаний танки № 6/2 и № 7/4 прошли 2299 и 2040 километров соответственно. В заключение отчета об испытаниях опытных образцов танков Т-40 говорилось:
"1. Т-40 является специальной плавающей машиной, обладающей по сравнению с серийными плавающими танками Т-38 и Т-38М следующими преимуществами:
а) более надежным бронированием;
б) более мощным вооружением (пулемет ДШК), дающим возможность вести борьбу с танками;
в) герметизация воздухопритоков и наличие водоходного радиатора повышает надежность работы танка на плаву;
г) повышенными динамическими качествами и проходимостью.
Все перечисленные преимущества Т-40 дают возможность более широкого его использования по сравнению с Т-38.
Танк Т-40 тактико-техническим требованиям соответствует полностью.
2. Из двух предъявленных на испытания вариантов подвески следует предпочесть торсионную, как обладающую рядом преимуществ.
3. Недостатками Т-40 являются:
а) недопустимо напряженный температурный режим двигателя вследствие неудовлетворительной системы охлаждения;
б) недоработка конструкции катков;
в) недоработка установки вооружения, оптики и смотровых приборов;
г) отсутствие вентиляции в местах размещения экипажа.
Отмеченные недостатки должны быть устранены при пуске танка в серийное производство".
Постановлением Комитета Обороны СССР № 443сс от 19 декабря 1939 г. танк Т-40 был принят на вооружение РККА. Этим же постановлением завод № 37 должен был выпустить в 1940 г. 3 опытных образца Т-40 к 1 марта, установочную партию из 15 танков к 1 августа, а с IV квартала начать их серийный выпуск, сдав до конца года не менее 100 шт.
Устройство Т-40
Новый танк значительно отличался от всех предшественников. Для большого запаса плавучести заметно увеличили высоту корпуса, а для улучшения остойчивости ему в поперечном сечении была придана трапецеидальная форма. Нужную пулестойкость корпусу обеспечивала катаная цементованная броня с дополнительно закаленным наружным слоем марки КО ("Кулебаки- ОГПУ"). При изготовлении корпуса применялась сварка броневых листов с внутренней мягкой стороны, для облегчения сборки применялись специальные стапели. Для упрощения монтажа агрегатов верхние броневые листы корпуса сделали съемными с уплотнением на тканевых прокладках, смазанных суриком.
Общий вид танка Т-40 второй промышленной серии, 1941 г.

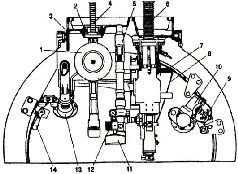
Экипаж их двух человек размещался вблизи продольной оси в затылок друг другу, но башня с вооружением была смещена на 250 мм к левому борту. Силовой агрегат смещен к правому борту таким образом, что доступ для ремонта двигателя был возможен изнутри боевого отделения танка после снятия предохранительной перегородки. В корме танка по бортам располагались два бензобака емкостью по 100 л., а непосредственно за двигателем – радиатор и теплообменник, омываемые забортной водой при движении на плаву.
На корме, в специальной нише, располагался гребной винт с водоходными рулями. Баланс танка был подобран таким образом, что на плаву он имел небольшой дифферент на корму. Привод гребного винта осуществлялся карданным валом от коробки отбора мощности, укрепленной на картере коробки перемены передач.
Размещение силового агрегата и трансмиссии танка Т-40.

Совмещение боевого отделения танка с отделением управления, облегчало общение между членами экипажа и делало их взаимозаменяемыми без выхода наружу и без введения дублирующих приводов управления. Каждый член экипажа имел свой эвакуационный люк и один аварийный люк в днище корпуса. Увеличенный внутренний объем позволял разместить на командирских танках в левой нише корпуса довольно большую дуплексную радиостанцию 71-ТК-3. Для защиты экипажа танк комплектовался двумя огнетушителями (стационарным и ручным), а также двумя спасательными поясами. Особенностью противопожарной защиты Т-40 было то, что в нем впервые от стационарного огнетушителя к наиболее пожароопасным объектам – бензобакам, карбюратору – подвели трубки с четырьмя распылителями.
Для наблюдения за полем боя служили перископические оптические приборы: три у водителя в лобовом щитке и скуловых листах подбашенной коробки и два у командира в бортах башни. Смотровые приборы комплектовались 10 запасными блоками. В разведке для ориентации на воде и в тумане служил магнитный компас КП московского завода "Авиаприбор".
Первый выпущенный танк Т-40 был вооружен спаренной установкой 12,7-мм крупнокалиберного пулемета ДК (на последующих устанавливался 12,7-мм пулемет ДШКТ обр. 1938/40 гг.) и 7,62-мм пулемета ДТ с оптическим прицелом ТМФП. Большая часть боекомплекта пулемета (9 лент по 50 патронов) находилась в кольцевом желобе под башней, запасная лента находилась в коробке в боевом отделении.
Размещение вооружения в башне танка Т-40, 1940 г.

На прототипах был установлен импортный бензиновый двигатель "Додж", однако на танках первой серии Т-40 начали комплектовать шестицилиндровой отечественной версией указанного "Доджа", освоенного в СССР под индексом ГАЗ-202 (танковый вариант мотора ГАЗ-11).
Серийный танк Т-40 был оборудован индивидуальной торсионной подвеской, которая состояла применительно к одному борту из четырех опорных, трех поддерживающих катков, направляющего и ведущего колес. При этом выход из строя одного из опорных катков и даже одновременно двух средних (на борт), равно как и поломка их торсионов, не мешали с определенными ограничениями продолжать движение и либо выполнить боевую задачу, либо выйти из боя и вернуться на ремонт, что значительно повышало живучесть боевой машины. Были усилены уплотнения подшипников катков, которые больше не ограничивали их долговечность.
Мелкозвенчатая гусеничная цепь Т-40 состояла из 87 траков шириной 260 мм, шаг трака 98 мм, из износостойкой стали Гартфильда и обеспечивала хорошую проходимость по слабым грунтам. Она имела пониженную вибрацию и соответственно – шум, важный показатель для разведывательного танка. Снижению шума способствовали и резиновые бандажи на всех катках, в том числе и поддерживающих. Штампованный и закаленный однорядный венец ведущей звездочки с цевочным зацеплением был выполнен съемным и легко заменялся при износе. Удачно сконструированные катки и траки гусениц впоследствии без особых изменений использовались на более тяжелых танках Т-60 и Т-70.
1.7. Неплавающие разведчики
В конце 1937 г., видимо после принятия решения о недостаточной боевой ценности танка Т-38 и памятуя об итогах испытаний Т-43, начальник АБТУ Бокис дал задание временно исполняющему обязанности начальника КБ завода № 185 Россе (С. Гинзбург был отстранен от работ в начале года) проработать эскизный проект неплавающего разведывательного танка "для проведения дальней разведки и осуществления глубоких рейдов конно-механизированных групп".
Тактико-технические требования предусматривали создание легкого двухместного колесно-гусеничного танка массой не свыше 8 т с компоновкой по типу танков БТ – Кристи с вооружением из 12,7-мм крупнокалиберного пулемета ДК, спаренного с 7,62-мм пулеметом ДТ и боекомплектом соответственно 500 и 2500 патронов.
В январе 1938 г. по ходатайству начальника АБТУ Д. Павлова вооружение танка должно было быть усилено путем установки 45-мм полуавтоматической пушки или 37-мм автоматической пушки, причем в случае установки полуавтомата экипаж должен был быть увеличен до трех человек. Боекомплект танка должен был состоять из 61 выстрела для 45-мм пушки и 1300 патронов к пулемету.