Бронетранспортеры и бронемашины России.Иллюстрированный справочник - Страница 15
ТАВ-71 АР - самоходный 81 -мм миномет.
БРЭМ ТЕРА-71, ТЕРА-71L.
Командно-штабные машины ТАВ-71АР1450/451/452.
Кроме вооруженных сил Румынии БТР ТАВ-71 поставлялись армии Югославии.
До настоящего времени БТР-60 является одним из самых распространенных бронетранспортеров в мире. В различных вариантах он состоит на вооружении Азербайджана, Алжира, Анголы, Армении, Афганистана, Бахрейна, Беларусь, Ботсваны, Болгарии, Гвинеи-Биссау Замбии, Израиля, Индии, Ирака, Ирана, Йемена, Камбоджи, Конго, Кубы, Ливии, Литвы, Мали, Мозамбика, Никарагуа, России, Сирии, Финляндии, Эстонии, Эфиопии.


БТР-70 Вид сверху
БТР-70.
В начале 70-х годов был создан БТР-70 (ГАЗ-4905), принятый на вооружение 21 августа 1972 г. и запущенный в серию в 1976 год)7. Основные отличия БТР-70 от предшественника - БТР-60ПБ - заключались в следующем:
- установлены новые, более современные и мощные V-образные восьмицилиндровые карбюраторные двигатели ГАЗ-49Б (ЗМЗ-4905) мощностью по 115 - 120 л. с;

БТР-70

Компоновка БТР-70
- изменена компоновка десантного отделения - бойцы сидят лицом к бортам, что облегчает им ведение огня из личного оружия через амбразуры;
- оборудованы нижние боковые люки для посадки десанта;
- топливные баки размещены в изолированных отсеках;
- применена автоматическая система защиты от оружия массового поражения;
- введен раздельный привод тормозов, обеспечивающий независимое торможение первых и третьих пар колес от вторых и четвертых;
- смонтирована система отключения силовой передачи от двигателя с рабочего места водителя, которая позволяет при выходе из строя одного двигателя быстро отключить его и работать только на другом исправном;
- установлены два электрогенератора;
- высота бронетранспортера уменьшена на 185 мм.
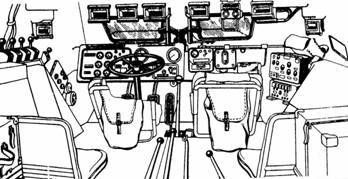
Закрытый корпус машины с гладким днищем герметизирован. В его передней части размещены сиденья водителя и командира, за ними - одного десантника и стрелка. Десантное отделение расположено за отделением управления, в нем параллельно бортам машины установлены два сиденья для шести человек десанта.
Двигатели смонтированы в кормовой части корпуса. Водометный движитель - двухступенчатый.
Колесные шины - бескамерные, сверхнизкого давления. Подвеска колес - индивидуальная торсионная.
Для ведения огня из личного оружия пехотинцев в бортах машины имеется семь лючков, закрываемых броневыми герметическими крышками. Наблюдение из бронетранспортера осуществляется через перископические смотровые приборы ТНП-Б: у водителя их четыре, у командира - три, по одному - в бортах десантного отделения. Кроме того, у командира имеется дневной прибор наблюдения ТПКУ-2Б.
Вооружение БТР-70 осталось аналогичным вооружению БТР-60ПБ (14,5-мм пулемет КПВТ и спаренный с ним 7,62-мм ПКТ с боекомплектом, соответственно, 500 и 2000 патронов), размещенные во вращающейся башне с прицелом ПП-61А или ПП-61АМ. Однако вместо прежней башни с утлом вертикального наведения 30° применена усовершенствованная башня разработки Тульского КБ Приборостроения (ныне - НПО «Точность») с углом обстрела, увеличенным до 60°.

Боевое отделение БТР-70

БТР-70 в Афганистане
В десантном отделении машины перевозится гранатомет РПГ-7 и два ПЗРК 9К34 «Стрела-2». Кроме того, машина может транспортировать два автоматических гранатомета АТС-17. Имеется радиостанция Р-123М, прибор радиационной разведки ДП-ЗБ и войсковой прибор химической разведки ВПХР. При срабатывании системы защиты от оружия массового поражения жалюзи автоматически закрываются и двигатели машины останавливаются.
На БТР-70 установлен отопитель калориферного типа.
На базе БТР-70 выпускались:
- машина радиосвязи БТР-70МС; внешние отличия - отсутствие башни и наличие дополнительных штыревых антенн.
- БРЭМ, вместо башни установлен кран.
- Командно-штабная машина БТР-70КШМ.
- Машина с аппаратурой радиоэлектронной борьбы. В Румынии выпускался бронетранспортер ТАВ-77, представлявший собой вариант БТР-70 и незначительно отличавшийся от прототипа. Для румынской армии на базе БТР ТАВ-77 также строились БРЭМ и командно-штабная машина.
БТР-70 различных вариантов состоят на вооружении армий России и стран СНГ, Эстонии, Непала, Пакистана.
БТР-80

БТР-80А (фото Ю. Спасибухова)
Основным колесным бронетранспортером Российской армии в настоящее время является БТР-80 - дальнейшее развитие БТР-70. Эта машина, разработанная под руководством главного конструктора А Масягина и принятая на вооружение в 1986 году воплотила в своей конструкции афганский опыт боевого применения бронетранспортеров. БТР-80, разработанный КБ ГАЗ, серийно выпускается на Арзамасском машиностроительном заводе.
На БТР-80 используются двигатели ЯМЗ-238М2 (240 л. с). Применены пулестойкие шины КИ-80 или КИ-126, позволяющие машине продолжать движение после полного выхода из строя одного или двух колес. За счет более крупных двухстворчатых боковых люков (нижние секции используются в качестве подножек) значительно упрощено десантирование из бронетранспортера (в том числе и на ходу).

БТР-80А (фото Ю. Спасибухова)
По опыту боевого применения бронетранспортера в горных условиях Афганистана значительно расширена зона обстрела из стрелкового оружия десанта.
Машина получила усовершенствованную башенную пулеметную установку БПУ-1 с вертикальным углом наведения 600 и новым оптическим прицелом ШЗ-2, обеспечивающим возможность зенитной стрельбы. Для постановки маскирующих дымзавес машину оснастили системой 902В, включающей шесть гранатометов, смонтированных на задней стенке башни.
На ранних сериях БТР-80 устанавливались радиостанции Р-123, в дальнейшем замененные на более современные Р-163-50У. В ходе серийного производства в конструкцию машины вносились и другие усовершенствования.

Машина управления на базе БТР-80 (фото Ю. Спасибухова)

БТР-80. Вид сзади (фото А. Малышева)
Дальнейшим развитием БТР-80 стал БТР-80А (ГАЗ-59029), принятый на вооружение в 1994 году и в том же году поступивший в серийное производство. Работы по созданию этого бронетранспортера велись АО «ГАЗ» под руководством А. Масягина в рамках темы «Буйность». Впервые на отечественных машинах такого класса вместо крупнокалиберного пулемета было решено установить мощное 30-миллиметровое автоматическое орудие 2А72 с боекомплектом 300 снарядов, созданное в КБП под руководством А.Шипунова на базе пушки 2А42, применяемой на БМП-2, БМД-2 и БМД-3, а также боевых вертолетах Ка-50/52 и Ми-28.