Большая Советская Энциклопедия (УС) - Страница 7
Ламповый усилитель большой мощности используется на узлах проводного вещания и в радиопередатчиках (в качестве модуляционного устройства). Он обычно содержит 4 двухтактных каскада, охваченных сравнительно глубокой отрицательной обратной связью с целью уменьшения нелинейных искажений, снижения фона на выходе и получения небольшого выходного сопротивления.
Лит.: Лурье Б. Я., Проектирование транзисторных усилителей с глубокой обратной связью, М., 1965; Калихман С. Г., Левин Я. М., Основы теории расчёта радиовещательных приёмников на полупроводниковых приборах, М., 1969: Радиопередающие устройства, М., 1969; Цыкин Г. С., Усилительные устройства, М., 1971; Войшвилло Г. В., Усилительные устройства, М., 1975.
Г. В. Войшвилло.

Рис. 3. Схема каскада усилителя электрических колебаний промежуточной частоты с двухконтурной колебательной системой: T1 , Т2 — транзисторы; R1 —R6 — резисторы; Сб — блокировочный конденсатор; C1 , C2 , L1 , L2 — конденсаторы и катушки индуктивности колебательных контуров; C3 — развязывающий конденсатор; Е — источник постоянного тока в цепи питания транзисторов.

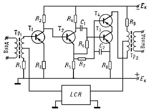
Рис. 5. Упрощённая схема линейного усилителя связи на 300 каналов: Tp1 , Tp2 — входной и выходной трансформаторы с сердечниками из магнитодиэлектрика; T1 —T4 — транзисторы; R1 —R9 — резисторы; C1 , C2 — конденсаторы; LCR — корректирующая цепь, служащая для обеспечения устойчивости усилителя; Eк — источник постоянного электрического тока.

Рис. 2. Принципиальные схемы усилителей на биполярных и полевых транзисторах: с общим эмиттером (а), общим истоком (б), общей базой (в) и общим затвором (г); Э, К, Б — эмиттер, коллектор и база биполярного транзистора; И, З, С — исток, затвор и сток полевого транзистора; еr — источник усиливаемых колебаний; Rг , Rн — эквивалентные сопротивления входной цепи и нагрузки; Ебэ , Екэ , Ези , Еси — источники постоянного тока соответственно в цепях база — эмиттер, коллектор — эмиттер, затвор — исток, сток — исток. Название типа усилителя определяется тем, какая область (электрод) транзистора является общей для цепи источника усиливаемого сигнала и цепи нагрузки.

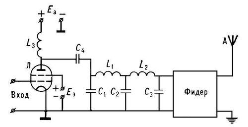
Рис. 4. Схема оконечного усилительного каскада радиопередающего устройства с фильтром нижних частот: Л — электронная лампа (тетрод); А — антенна; L1 , L2 и C1 —C3 — катушки индуктивности и конденсаторы, образующие фильтр нижних частот; L3 — дроссель в цепи питания лампы; C4 — разделительный конденсатор; Ea и Еэ — источники постоянного тока в анодной цепи и цепи экранирующей сетки.

Рис. 1. Структурная схема усилителя электрических колебаний: 1 — источник сигнала; 2 — усилитель; 3 — нагрузка; 4 — источник питания; е1 — источник усиливаемых колебаний; R1 , R2 — эквивалентные сопротивления источника усиливаемых колебаний и нагрузки; I1 , P1 , U1 — соответственно ток, мощность и напряжение на входе усилителя; I2 , P2 , U2 — ток, мощность и напряжение на выходе усилителя; P — мощность источника питания.

Рис. 7. Принципиальная схема транзисторного двухтактного каскада: Tp1 , Tp2 — входной и выходной трансформаторы; T1 , T2 — транзисторы; R1 , R2 — резисторы делителя напряжения, необходимые для получения требуемого напряжения смещения на базах; Рэ — резисторы в цепи эмиттеров, предназначенные для симметрирования плеч каскада и дополнительной стабилизации режима работы каскада: Eк — источник постоянного тока.

Рис. 6. Структурная схема операционного усилителя: 1 — неинвертирующий вход; 2 — инвертирующий вход; 3 — общий провод; 4 — выход.
Усима
У'сима , Нюланд (фин. Uusimaa, швед. Nyland), ляни (губерния) на Ю. Финляндии, у Финского залива. Площадь 10,4 тыс. км2. Свыше 1 млн. жителей (1973), в том числе городских 82%. Административный центр – г. Хельсинки. У. даёт 23% валовой промышленной продукции страны, в промышленности и строительстве занято 35% экономически активного населения, в сельском и лесном хозяйстве 5%, в обслуживании 59% (1973). Машиностроение, особенно судостроение; электротехническая, нефтеперерабатывающая, текстильная, пищевая, полиграфическая промышленность. Пригородное сельское хозяйство.
Усинск
У'синск, посёлок городского типа, центр Усинского района Коми АССР. Расположен на правом берегу р. Уса, недалеко от впадения её в Печору, в 150 км к С. от ж.-д. станции Печора (на линии Котлас – Воркута). 17 тыс. жителей (1975). Центр нефтяного района.
Усинская котловина
У'синская котловина, межгорное понижение в Зап. Саяне, по среднему течению р. Ус (правый приток Енисея), на Ю. Красноярского края РСФСР. Длина 70 км, ширина 10–18 км, высота 650–800 м. Рельеф равнинный, по окраинам холмистый. Климат резко континентальный; средняя температура января –28,6 °С (часты инверсии), июля 16,7 °С. Осадков около 350 мм в год. Вегетационный период 116 сут. Большая часть У. к. распахана (главным образом посевы зерновых); имеются участки злаковых и злаково-разнотравных степей на чернозёмных почвах. По окраинам – лиственнично-берёзовые лесостепи на серых лесных почвах и сосновые массивы на песках. Сев.-вост. часть У. к. пересекается Усинским трактом .
Усинский тракт
У'синский тракт, магистральная автомобильная дорога Абакан – Кызыл, 436 км (маршрут № 35), пересекающая Зап. Саяны и соединяющая столицу Тувимской АССР г. Кызыл с центром Хакас. АО г. Абакан и ж.-д. сетью Сибири; имеет подъезды к Минусинску и Шушенскому. Построен в 1911–17 как гужевой тракт, с 1932 – автомобильная дорога. Название получил от р. Ус – притока Енисея, в долине которой проходят 85 км дороги. По У. т. поступают почти все грузы для Тув. АССР и вывозятся из Тувы минеральное сырьё, мясо, шерсть, зерно, пушнина. По У. т. осуществляется основная часть пассажирских перевозок. После постройки автодороги Красноярск – Дивногорск – Абакан (1960–66) связан с сетью автомобильных дорог Юж. Сибири.
Ускоки
Уско'ки (серб.-хорв. uskok, буквально – беглец, перебежчик), военные поселенцы в Хорватии 16–17 вв. (главным образом беженцы из находившихся под властью Османской империи югославянских земель). Основной источник существования У. – собственное хозяйство. Во время военных действий получали от бана (правителя) за несение военной службы денежное вознаграждение и имели право на 2 /3 военной добычи.
Ускользания скорость
Ускольза'ния ско'рость в астрономии, см. Убегания скорость .
Ускорение
Ускоре'ние, векторная величина, характеризующая быстроту изменения скорости точки по её численному значению и по направлению. При прямолинейном движении точки, когда её скорость u возрастает (или убывает) равномерно, численно У.