Большая Советская Энциклопедия (ФЕ) - Страница 100
Монокристаллические Ф. выращиваются методами Чохральского, Вернейля и др. (см. Монокристалл ).
Лит.: Рабкин Л. И., Соскин С. А., Эпштейн Б. Ш., Ферриты. Строение, свойства, технология производства, Л., 1968; Смит Я., Вейн Х. Ферриты, пер. с англ., М., 1962; Гуревич А. Г., Магнитный резонанс в ферритах и антиферромагнетиках, М., 1973.
К. П. Белов.

Рис. 2. Схематическое изображение величин и направлений векторов намагниченности катионов, образующих магнитные подрешётки d, а и c в ферритах-гранатах.

Рис. 1. Кристаллическая структура ферритов-шпинелей: а — схематическое изображение элементарной ячейки шпинельной структуры (ее удобно делить на 8 равных частей — октантов); б — расположение ионов в смежных октантах ячейки (заштрихованном и белом), белые кружки — ионы О2- , чёрные — ионы металла в октаэдрических и тетраэдрических промежутках; в — ион металла в тетраэдрическом промежутке; г — ион металла в октаэдрическом промежутке.
Ферро (остров)
Фе'рро, Иерро (Ferro, Hierro), остров в Атлантическом океане, в группе Канарских островов. Территория Испании. Площадь 275 км2. Население 5,5 тыс. чел. (1970). Высота до 1501 м. Горячие источники. Климат тропический сухой. Растительность с преобладанием эндемичных видов (канарская сосна, дикая финиковая пальма). Земледелие, виноградарство; разводят коз, овец, крупный рогатый скот. Главный город – Вальверде. До 1884 через Ф. (около 18° з. д.) проводили меридиан, который в ряде стран был принят за начальный.
Ферро Сципион
Фе'рро, Даль Ферро (Dal Ferro) Сципион (1465, Болонья, – 1526, близ Болоньи), итальянский математик. С 1496 профессор Болонского университета. С именем Ф. связано открытие правила решения в радикалах кубических уравнений вида: x3 + px = q.
Лит.: Стройк Д. Я., Краткий очерк истории математики, пер. с нем., 2 изд., М., 1969.
Ферро..., ферр...
Ферро..., ферр... (от лат. ferrum – железо), в химических, технических и др. терминах составная часть, означающая отношение к железу , см., например, Феррит , Ферросплавы .
Ферробор
Ферробо'р,ферросплав , содержащий 10–25% В, по 2–5% Si и Al (остальное Fe); получают в руднотермических печах алюминотермическим способом (см. Алюминотермия ) из боратовой руды или борного ангидрида. Ф. и др. сплавы Fe с В (ферроборал, грейнал) используются для легирования, раскисления и модифицирования стали.
Феррованадий
Феррована'дий,ферросплав , содержащий 35–45% V, 1–3% Si, 0,5–1,5% Al (остальное Fe и примеси); выплавляют в электропечах силикотермическим способом (см. Силикотермия ) из пятиокиси ванадия (85–95% VaOs), получаемой химико-металлургической переработкой железованадиевого концентрата. Ф. применяют главным образом для легирования стали. Наряду с Ф. выпускаются силикованадий, выплавляемый в электропечах, а также металлический ванадий и богатый Ф. (до 80% V), получаемые внепечным алюминотермическим способом (см. Алюминотермия ).
Ферровольфрам
Ферровольфра'м,ферросплав , содержащий 68–72% или 78–86% W, до 7% Mo (остальное Fe и примеси); выплавляют в руднотермических печах комбинированным силикотермическим (см. Силикотермия ) и углевосстановительным (см. Карботермия ) процессом из вольфрамитового и шеелитового концентратов. Готовый Ф. вычерпывают стальными ложками специальной машиной; более богатый Ф. плавят «на блок», который после остывания разбивают. Ф. применяется главным образом при производстве инструментальных сталей (например, быстрорежущей) и жаропрочных сплавов.
Феррография
Феррогра'фия, то же, что магнитография .
Феррод
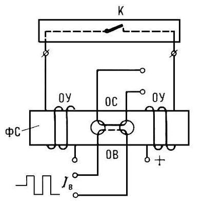
Ферро'д [англ. ferrod, от fer (rit) – феррит и rod – стержень], бесконтактный электромагнитный телефонный коммутационный прибор, действие которого основано на использовании магнитного насыщения ферромагнетика (т. е. по принципу действия подобный трансформатору с подмагничиванием). Служит для реализации логических функций в управляющих устройствах квазиэлектронных автоматических телефонных станций (например, для индикации состояния абонентской линии). Основные элементы Ф. (см. рис. ): сердечник, выполненный в виде бруска или стержня из феррита с прямоугольной петлей гистерезиса и низкой коэрцитивной силой , две последовательно соединённые обмотки управления (ОУ); обмотка возбуждения (0В); обмотка считывания (ОС). На ОВ по цепи запроса подаются двуполярные импульсы тока (обычно амплитудой 0,5 a и длительностью 3–5 мксек ). Если ток в ОУ отсутствует, то под действием импульсов возбуждения сердечник перемагничивается и в ОС индуцируются импульсы напряжения (амплитудой около 0,2 в ), поступающие в оперативное запоминающее устройство автоматической телефонной станции. Если по ОУ протекает постоянный ток, достаточный для намагничивания сердечника до насыщения (обычно от нескольких ма до нескольких десятков ма ), то импульсы в ОС не индуцируются.
М. Ф. Дутов

Схема феррода: ФС — ферритовый стержень; ОУ — обмотка управления (знаками + и - обозначены клеммы, к которым подключается источник постоянного тока); ОВ — обмотка возбуждения; ОС — обмотка считывания; К — эквивалентная цепь с контактом, состояние которого (замкнут либо разомкнут) условно отражает состояние, например, абонентской линии ( занята либо свободна); Iв — двуполярные импульсы тока возбуждения.
Ферродинамический прибор
Ферродинами'ческий прибо'р измерительный, см. в ст. Электродинамический прибор измерительный.
Феррозонд
Феррозо'нд, феррозондовый магнитометр, прибор для измерения и индикации магнитных полей (в основном постоянных или медленно меняющихся) и их градиентов. Действие Ф. основано на изменении магнитного состояния ферромагнетика под воздействием двух магнитных полей разных частот. В простейшем варианте Ф. состоит из стержневого ферромагнитного сердечника и находящихся на нём двух катушек: катушки возбуждения, питаемой переменным током, и измерительной (сигнальной) катушки. В отсутствие измеряемого магнитного поля сердечник под действием переменного магнитного поля, создаваемого током в катушке возбуждения, перемагничивается по симметричному циклу. Изменение магнитного потока, вызванное перемагничиванием сердечника по симметричной кривой, индуцирует в сигнальной катушке эдс, изменяющуюся по гармоническому закону. Если одновременно на сердечник действует измеряемое постоянное или слабо меняющееся магнитное поле, то кривая перемагничивания изменяет свои размеры и форму и становится несимметричной. При этом изменяется величина и гармонический состав эдс индукции в сигнальной катушке. В частности, появляются чётные гармонические составляющие эдс, величина которых пропорциональна напряжённости измеряемого поля и которые отсутствуют при симметричном цикле перемагничивания.
Как правило, Ф. состоит из двух сердечников с обмотками, которые соединены так, что нечётные гармонические составляющие практически компенсируются. Тем самым упрощается измерительная аппаратура и повышается чувствительность Ф. Наиболее распространённые феррозондовые установки имеют следующие основные узлы: генератор переменного тока, питающий обмотку возбуждения, фильтр для нечётных гармонических составляющих эдс, подключенный на выходе измерительной катушки, усилитель чётных гармоник и выходной измерительный прибор. Ф. обладают очень высокой чувствительностью к магнитному полю (до 10-4 –10-5а/м ).