Большая Советская Энциклопедия (АВ) - Страница 124
Автопавильон
Автопавильо'н, сооружение на остановочных пунктах автобусных линий для кратковременного пребывания пассажиров. А. бывают открытого (рис.) и закрытого типа. Для А. применяются облегчённые, преимущественно каркасные, конструкции из металлических и сборных железобетонных элементов, обычно в сочетании с большой площадью остекления. Вместимость А., сооружаемых по типовым проектам, — 10, 15 и 25 пассажиров.
Автоперегрузчик
Автоперегру'зчик, машина для транспортировки корней (высадков, маточников) сахарной свёклы и перегрузки их в высадкопосадочную машину, а также для перевозки различных грузов. Основные узлы А. (рис.): шасси автомобиля, кузов, устройства (системы гидроцилиндров) для подъёма и опрокидывания кузова. Грузоподъёмность выпускаемого в СССР перегрузчика 2100 кг. Объём платформы с основными бортами 2,7 м3, с надставными 5,2 м3. Применение А. по сравнению с ручной работой повышает производительность посадочного агрегата с 0,37 до 0,65 га/ч.

Автоперегрузчик: 1 — кабина автомобиля; 2 и 4 — гидравлические устройства для подъёма и опрокидывания кузова;3 — подъёмная рама; 5 — кузов; 6 — надрамник; 7 — опорные пяты.
Автопередвижная мастерская
Автопередвижна'я мастерска'я, см. Автомобиль-мастерская.
Автопилот
Автопило'т (от авто... и франц. pilote — водитель), устройство для автоматического управления летательным аппаратом (самолётом, вертолётом, управляемым снарядом и др.). Идея и схема А. были предложены К. Э. Циолковским в 1898. Впервые полёт самолёта, автоматически управляемый А. фирмы Сперри (США), был продемонстрирован на Всемирной выставке в Париже в 1914. Отечественный А. с пневматической исполнительной системой (АВП-1) был создан в 1932. Первоначально А. предназначался только для стабилизации угловых движений самолёта (движения относительно центра масс), что давало возможность выдерживать заданный режим полёта самолёта без участия лётчика. Усовершенствование А. позволило создать автоматизированную систему, которая производит управление летательным аппаратом не только относительно его центра масс, но также и его центром масс. Это дало возможность автоматизировать все режимы полёта летательного аппарата от взлёта до посадки. Такие А. автоматически управляют и рулями летатательного аппарата, и его двигателями. Они делают возможными полёты различных классов беспилотных летательных аппаратов (ракеты, самолёты-снаряды, искусственные спутники Земли и т.д.).
А. на самолёте состоит из ряда подобных по принципу действия автоматов (курса, продольно-поперечных кренов, скорости, высоты и др.), совместная работа которых управляет полётом и стабилизует его (рис.). Чувствительные элемент каждого автомата измеряет один, определённый для него параметр режима полёта (например, или высоту, или курс), называется параметром регулирования, и вырабатывает сигнал, пропорциональный текущему значению параметра. Задатчик режимов полёта вырабатывает сигналы, каждый из которых соответствует требуемому значению определенного параметра регулирования. Эти сигналы сравниваются в вычислительном устройстве. Их разность (рассогласование) после усиления поступает на рулевую машинку А., отклоняющую соответствующий руль самолёта или орган управления двигателем. Так происходит изменение режима полёта. Когда этот режим достигает заданного, сигнал рассогласования исчезает, рулевая машинка прекращает движение и наступает положение равновесия. Устойчивость систем автоматического управления летательными аппаратами достигается как регулированием по производным от регулируемых параметров, так и отрицательной обратной связью соответствующих видов. Кроме автоматов, в А. входят системы управления и регулировки. Необходимую для работы А. энергию в виде электроэнергии или воздуха и масла под давлением доставляет двигатель самолёта.
Лит.: Боднер В. А., Теория автоматического управления полётом, М., 1964.
А. Л. Горелик.

Рис. к ст. Автопилот.
Автопогрузчик
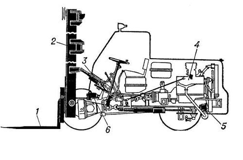
Автопогру'зчик, самоходная подъёмно-транспортировочная машина для погрузочно-разгрузочных операций на всех видах транспорта, а также для перемещения грузов на территориях грузовых дворов, строительных площадок и т. п.
А. имеет гидравлический привод от двигателя внутреннего сгорания к рабочему оборудованию. Основной рабочий орган А. — вилочный захват 1 (рис. 1), перемещаемый вдоль вертикальной телескопической рамы 2 гидроцилиндром, расположенным внутри рамы. Рама А. цилиндрами наклона 3 может отклоняться вперёд и назад на угол до 15°, что придаёт грузу устойчивое положение на вилках при перевозке и облегчает его выгрузку. Давление в гидравлической системе (до нескольких Мн/м2, или нескольких десятков кгс/см2) создаётся гидравлическим насосом 5, связанным трансмиссией с двигателем 4. Рычаги управления гидравлической системой подведены с места водителя А. к золотниковому распределителю 6.
А. с вилочным захватом применяются при работе с тяжеловесными грузами (рис. 2), а также с мелкими грузами в таре и упаковке, предварительно уложенными на поддоне. В комплект сменных рабочих приспособлений А. входят также ковш, стрела, челюстной захват и др. В СССР выпускаются А. различной грузоподъёмности (3 т, 5 т и др.).
Г. Н. Дегтерев.

Рис. к ст. Автопогрузчик.

Рис. к ст. Автопогрузчик.
Автопоезд
Автопо'езд, см. Автомобильный поезд.
Автопоилка
Автопои'лка, см. Поилка.
Автополиплоидия
Автополиплоиди'я (от авто... и полиплоидия), кратное увеличение в клетках организма исходного, характерного для вида набора хромосом. А. имеет значение в онтогенезе растений и животных, а также в филогенезе (видообразовании), главным образом у растений; у животных же — при партеногенезе. Вызывая А. искусственно (высокой температурой, излучениями, химическими соединениями), удалось получить автополиплоидные формы и сорта гречихи, ржи, сахарной свёклы и др.
В. В. Сахаров.
Автопортрет
Автопортре'т, портрет художника, выполненный им самим (большей частью при помощи одного или нескольких зеркал). В А. художник непосредственно выражает своё самосознание, оценку собственной личности, свои творческие принципы; во многих А. с большой остротой воплощено единство личных и общественных начал — ощущение художником причастности своей судьбы к судьбам поколений и классов, к взлётам и упадкам искусства. Нередко, однако, художник изображает себя лишь в качестве наиболее доступной модели для различных художественных поисков, экспериментов. Изображение себя художником известно уже в античном (Фидий) и средневековом (скульпторы 14 в. — новгородец Аврам и П. Парлерж в Чехии) искусстве. Живописцы итальянского Раннего Возрождения (Мазаччо, Доменико Гирландайо, Боттичелли) часто вводили свои изображения в сюжетные религиозные композиции. Как разновидность портретного жанра А. сложился в 16 в.: в искусстве Высокого Возрождения (Рафаэль, А. Дюрер) он выражает возросшее общественное значение художника, его самоутверждение, в искусстве маньеризма — замкнутость, неустойчивость внутреннего мира мастера, порожденную кризисом ренессансных идеалов; наконец, крупнейшие живописцы Позднего Возрождения (Тициан, Тинторетто) раскрывают зрителю драматическую судьбу творческой личности, отстаивающей свою духовную независимость. Эта психологическая напряжённость находит развитие в А.-исповеди 17 в., где нередко раскрываются социальный облик художника, его отношение к миру и обществу, его полная достоинства позиция борца за свои убеждения (Н. Пуссен, П. П. Рубенс и особенно Рембрандт, автор беспримерной по многообразию и психологической глубине серии А.). А. 18 в. (Ж. Б. Шарден, Дж. Рейнолдс, Ф. И. Шубин) большей частью переносят художника в интимную рабочую или семейную обстановку, подчёркивая интеллектуальные усилия творчества, зоркость анализирующего взгляда. Крупные художники 19 в. (Ж. Л. Давид, О. Рунге, О. А. Кипренский, Г. Курбе, И. Н. Крамской) не только утверждают ценность творческой личности и её богатой духовной жизни, но и видят в себе олицетворение типичных устремлений своего поколения, своей социальной группы. На рубеже 19 и 20 вв. А. часто избираются для выражения личного мироощущения, собственной живописно-пластической концепции мастера (П. Сезанн), его внутренней духовной экспрессии (В. ван Гог, М. А. Врубель). В прогрессивном реалистическом искусстве 20 в. (К. Кольвиц, Д. Ривера, Р. Гуттузо), и в том числе в советском искусстве (С. Т. Коненков, М. С. Сарьян, П. П. Кончаловский), лучшие А. выражают единство личного и общенародного, осознание художником своего общественного назначения.