Артиллерийское орудие - Страница 12
Обтюрация в поршневых затворах орудий раздельного гильзового и патронного заряжания, как и в клиновых затворах, обеспечивается гильзой, Несколько иначе обстоит дело при картузном заряжании. При закрытом затворе в месте соприкосновения его с телом орудия образуется небольшая щель, через которую могут прорваться сильно нагретые газы. Газы, проходящие через щель с большой скоростью, могут оплавить металл и, таким образом, привести затвор в негодность. Кроме того, эти газы, вырываясь назад, могут нанести сильные повреждения орудийному расчету. И, наконец, разрушительное действие газов может повредить и другие детали затвора, не рассчитанные на большие усилия. Прорыв газов не может быть устранен тщательной обработкой, точной пригонкой соприкасающихся поверхностей, потому что газы постоянно стремятся вырвать затвор из орудия и проникнуть в сколько-нибудь свободное пространство. Так как прорыв газов совершенно недопустим, то в самом затворе должно быть специальное приспособление, препятствующее протеканию газов. Такое приспособление называется обтюратором.
Обтюратор должен быть сделан из пластического материала, чтобы под действием давления он мог принимать форму окружающих поверхностей. Обтюратор помещается в казеннике так, чтобы прикрыть щель между затвором и телом орудия при выстреле.
В современных затворах применяют только автоматически действующие обтюраторы, то есть такие, у которых плотное запирание производится исключительно под действием давления пороховых газов. Автоматически действующие обтюраторы можно подразделить на две группы: первая — обтюраторы, действие которых основано на сжатии, вторая — обтюраторы, действие которых основано на растяжении. К первой группе относится грибовидный обтюратор, ко второй группе — металлические гильзы и поддоны.
Грибовидный обтюратор (рис. 25) состоит в основном из кольцевой подушки и грибовидного стержня.

Рис. 25. Затвор с грибовидным обтюратором.
Кольцевая подушка делается из холста, набивается асбестом, пропитывается бараньим салом и прессуется под большим давлением. Она помещается на переднем срезе поршня и удерживается грибовидным стержнем, имеющим сквозной запальный канал. Грибовидный стержень имеет возможность несколько перемещаться вдоль оси.
В момент выстрела под действием пороховых газов грибовидный стержень продвигается назад и расплющивает подушку, которая прижимается к стенкам каморы, устраняя возможность прорыва газов. Для того, чтобы материал подушки не вдавливался в зазоры между затвором и стволом, в обтюраторе имеются стальные разрезные кольца, которые под давлением подушки при выстреле разжимаются и прижимаются к соответствующим поверхностям. Вследствие упругости подушки и колец они после выстрела принимают первоначальные размеры и не затрудняют открывания затвора.
Для закрывания затвора поршень устанавливается нарезными секторами против гладких секторов затворного гнезда и вдвигается на всю длину, после чего поршень повертывается на некоторый угол так, чтобы его витки сцепились с витками затворного гнезда. Следовательно, поступательное и вращательное движения поршня при открывании и закрывании выполняются простым действием на рукоять. Для удобства открывания и закрывания поршень укрепляется в раме, шарнирно связанной с казенником ствола при помощи оси. На конце оси насажена рукоять. Чтобы закрыть затвор, необходимо повернуть рукоять до упора в казенник. При этом затвор полностью закроется.
По количеству простых движений поршня, совершаемых при открывании и закрывании затвора, различаются двух- и трехтактные поршневые затворы.
В двухтактных поршневых затворах поршень при закрывании движется вместе с рамой по дуге до полного ввода его в затворное гнездо, а затем поворачивается вокруг оси, ввинчиваясь в гнездо. При открывании затвора движение производится в обратном порядке.
В трехтактных поршневых затворах поршень при закрывании затвора вместе с рамой подводится к казенному срезу, двигаясь по дуге окружности, затем выдвигается из рамы и вдвигается в поршневое гнездо, двигаясь по оси канала ствола, и поворачивается до полного зацепления нарезных участков, иными словами поршень ввинчивается в затворное гнездо. При открывании затвора движение совершается в обратном порядке.
По расположению оси рамы поршневые затворы, так же как и клиновые, бывают горизонтальными и вертикальными. В первом случае ось рамы располагается вертикально, а вращение рамы вместе с поршнем происходит в горизонтальной плоскости. Во втором случае ось рамы располагается горизонтально, а вращение поршня вместе с рамой производится в вертикальной плоскости.
Мы уже говорили, что затвор предназначен не только для запирания канала ствола, поэтому в конструкцию современного затвора, кроме запирающего устройства, входит еще несколько механизмов.
Основным механизмом любого затвора является запирающий механизм.
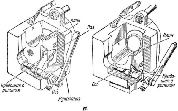
В клиновых затворах запирающий механизм состоит в основном из клина, передвигающегося при помощи кривошипов и рукоятки, укрепленных на одной оси (рис. 26а). Ролики кривошипов входят в пазы на клине. При движении рукоятки вперед ролики кривошипов надавливают на грани пазов, заставляя опуститься клин, в результате чего канал ствола открывается. Чтобы закрыть затвор, рукоятку необходимо повернуть назад.




Рис. 26. а — запирающий механики клинового затвора; б — запирающий механизм поршневого затвора; в — ударный механизм клинового затвора; г — стреляющее приспособление поршневого затвора.
В двухтактном поршневом затворе запирающий механизм состоит из поршня (рис. 26б), рамы, гребенки и рукоятки, укрепленной на оси. При повороте рукоятки назад шип рукоятки потянет гребенку, которая своими зубьями сцеплена с зубчатым сектором поршня. Поршень будет поворачиваться вокруг своей оси до тех пор, пока нарезные секторы его не расцепятся с нарезными участками поршневого гнезда. В момент полного расцепления выступ на оси рукоятки упрется в грань дугового паза на раме. Дальнейшее движение рукоятки будет связано с движением самой рамы, которая вместе с поршнем повернется вокруг оси рамы и выведет поршень из гнезда. Закрывание затвора производится движением рукоятки в обратном направлении.
В вертикальных затворах для устранения влияния веса клина или поршня при открывании и закрывании затвора применяется уравновешивающий механизм. При открывании затвора рычаг, насаженный на ось рукоятки, сжимает пружину механизма. Сила сжатой пружины уравновешивает вес затвора, поэтому закрывание его производится легко и без особых усилий. В клиновых затворах сила сжатой пружины превышает вес затвора; в этом случае затвор закрывается автоматически.
Для того, чтобы не произошло самопроизвольного открывания затвора, имеется специальное замыкающее устройство, которое входит в запирающий механизм. В клиновом затворе таким устройством является дуговой участок паза и выемка для ролика кривошипа. Клин не может сдвинуться с места до тех пор, пока рукоятка с кривошипами не повернется на некоторый угол и ролик не выйдет на прямолинейный участок паза.
В поршневом затворе запирание производится при помощи зуба ручки. Чтобы открыть затвор, необходимо надавить на ручку вниз, при этом зуб выйдет из зацепления с рамой и рукоятку можно будет повернуть.
На рис. 24 показан открытый клиновой затвор и горизонтальное клиновое гнездо.
Для производства выстрела в затворе имеется стреляющее приспособление. В клиновых затворах наибольшее распространение получили стреляющие приспособления, состоящие из ударного и спускового механизмов.